挖溝機鏈主要用于工程機械,挖溝機使用。這種挖溝機鏈鏈條使用工況惡劣,沖擊載荷較大。
我們在設計挖溝機鏈時,模擬了挖溝機鏈的使用環境,針對鏈條的使用要求,對鏈條的各個零件都單獨進行了設計,采用大間隙,大過盈量,厚滲層的設計。加大了鏈條套筒與銷軸,滾子與套筒間的間隙。保證了鏈條在使用時能夠靈活轉動。加大了鏈板與銷軸、套筒間的過盈量,提高了銷軸和套筒與鏈板的連接牢固度。增加了套筒的滲碳層厚度,延長了鏈條的使用周期。對于部分較易磨損零件,采用表面鍍硬鉻的工藝。
挖溝機鏈適用領域:工程機械。

| 鏈 號 | 節距 P(mm) | 內節寬度 b1(mm) | 鏈 板 | 銷 軸 | 滾子直徑 d1 (mm) | 抗拉強度 Q(min)(KN) | 每米凈重 q kg/m | ||||
| T mm | h mm | H mm | d1 mm | L1 mm | L2 mm | ||||||
| 42.01 | 25.2 | 4.9 | 31.8 | 38.1 | 11.1 | 26.9 | 29.4 | 22.23 | 120 | 6.57 | |
| 42.01 | 25.5 | 6.4 | 31.8 | 60.3 | 11.1 | 26.9 | 33.9 | 22.23 | 120 | 6.47 | |

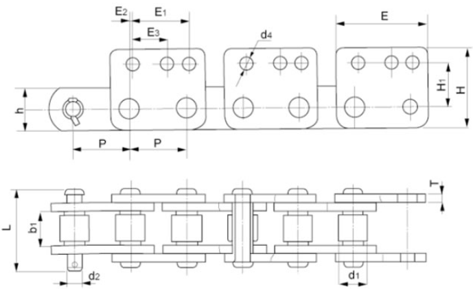
| 鏈 號 | 節 距 P(mm) | 內節寬度 b1(mm) | 鏈 板 | 銷 軸 | 滾子直徑 d1 (mm) | 抗拉強度 Q(min)(KN) | 每米凈重 q kg/m | |||||||||
| T mm | h mm | H1 mm | H mm | E mm | E1 mm | E2 mm | E3 mm | d4 mm | d2 mm | L mm | ||||||
| 42.01 | 25.2 | 4.9 | 31.8 | 33.3 | 60.3 | 69.8 | 41.3 | 2.9 | 25.4 | 9.95 | 11.1 | 56.3 | 22.23 | 120 | 7.78 | |


